Реле времени Евроавтоматика F&F PCG-417 EA02.001.020
Под заказ
1 день
Характеристики
Гарантия 0 / 12 / 24 / 36 / месяцев (уточняйте у менеджера)
Отзывы
| Общая информация | |
| Модель товара | |
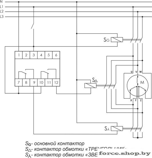
| Информация | Для управления контакторами, переключающими обмотки электродвигателей со схемы «ЗВЕЗДА» при пуске на схему «ТРЕУГОЛЬНИК» в рабочем режиме.###BR###Область применения###BR###Во всех отраслях промышленности, строительстве, ЖКХ, энергетике, транспорте и т.д.., где применяются электродвигатели большой мощности.###BR###Особенности###BR###Для переключения обмоток трёхфазных двигателей большой мощности со схемы «ЗВЕЗДА» в «ТРЕУГОЛЬНИК» при пуске. Время пуска 1-1000 с.###BR###Принцип работы###BR###Реле времени PCG-417 имеет 2 релейных выхода. Каждый управляет отдельным контактором. В момент пуска его первый выход включает контактор S? (замыкаются контакты 7-9) и обмотки электродвигателя подключаются по схеме «ЗВЕЗДА», что снижает пусковой ток в несколько раз. По окончании времени выхода двигателя на рабочий режим (время t1) наступает пауза (t2), когда оба контактора выключены, затем включается контактор S? (замыкаются контакты 10-12), включающий обмотки по схеме «ТРЕУГОЛЬНИК». |
| Описание | |
| Основные | |
| Тип | реле времени |
| Количество НО контактов | 2 |
| Количество НЗ контактов | 2 |
| Количество переключающих контактов (COM) | 2 |
| Индикация состояния | светодиодная |
| Цвет корпуса | белый |
| Технические характеристики | |
| Тип тока | переменный (AC), постоянный (DC) |
| Частота | 50 Гц |
| Рабочее напряжение переменного тока | 24 — 230 В |
| Рабочее напряжение постоянного тока | 24 В |
| Номинальный ток нагрузки | 8 А |
| Мощность нагрузки | 250 — 1 000 Вт |
| Потребляемая мощность | 0.8 Вт |
| Настройка выдержки времени | да (от 1 с до 1000 с) |
| Эксплуатационные характеристики | |
| Диапазон рабочих температур | от -25 до +50 °C |
| Допустимая относительная влажность | 80 % |
| Степень пыле- и влагозащиты | IP20 |
| Класс электробезопасности | класс III |
| Климатическое исполнение | УХЛ4 |
| Категория применения | AC-1, AC-3, AC-15, DC-1 |
| Степень загрязнения | 2 |
| Коммутационная износостойкость | 100 000 циклов |
| Размеры и вес | |
| Высота | 90 мм |
| Ширина | 18 мм |
| Глубина | 65 мм |
| Вес | 74 г |
| Дополнительная информация | |
| Производитель | |
| Сервисный центр | |
| Импортер в РБ | |
Отзывы
У этого товара нет ни одного отзыва. Вы можете стать первым.